基本介绍
锌合金阳极用于海水的钢铁和铝合金设备的腐蚀防护,包括船体、压载箱、热交换器冷凝器、管道等。锌阳极符合ASTM B418、MIL-A-18001K标准,选用99.995%纯度的原材料,经过严格的生产和检验过程,保证我们的产品符合或优于国际标准要求。
高纯锌阳极〈II型)可应用于含氯的土壤环境对构筑物做防护,如对PCCP(预应力钢桶混凝土管道)的防护比起铝阳极和镁阳极,锌阳极提供的驱动电压是最小的。因此,它不容易产生过度保护,避免了防腐层剥离。

产品特点
锌阳极在温度超过60℃的环境中容易钝化,并且更严重的会出现极性反转。一旦发生极性反转被保护钢结构将变成阳极去保护锌阳极,从而加速钢结构的腐蚀。因此,常规的锌阳极并不适用于高温环境中,如热交换器、温度较高的管道。为了解决这一难题,TopCorr研发了特殊配方的锌阳极(III型),可应用于50℃-70℃的介质环境中,电位负于-900mV (vs Ag/AgCl ref.),电流效率超过770Amp-hrs/kg。通过试验和现场应用证明该阳极在高温环境中能够有效的运行,并且不会发生极性反转。
性能指标
锌阳极化学成分
元素含量% | Al % | Cd % | Mg % | Fe % | Pb % | Cu % | 其他 % | Zn | |
型 号 | I | 0.10-0.50 | 0.025-0.070 | - | ≤0.0050 | ≤0.0060 | ≤0.0050 | ≤0.10 | 余量 |
II | ≤0.0050 | ≤0.0030 | - | ≤0.0014 | ≤0.0030 | ≤0.0020 | - | 余量 | |
III | 0.10-0.25 | ≤0.001 | 0.05-0.15 | ≤0.002 | ≤0.006 | ≤0.001 | ≤0.10 | ||
锌阳极电化学性能
型号 | 开路电位 -V,SCE | 闭路电位 -V,SCE | 实际电容量 A.h/kg | 电流效率 % |
I | ≥1.05 | ≥1.00 | ≥780 | ≥95 |
II | ≥1.10 | ≥1.05 | ≥740 | ≥90 |
III | ≥0.88 | / | ≥770 | / |
常用规格
船用焊接锌阳极(单铁脚)


型号 | 规格/mm | 铁脚尺寸/mm | 净重/kg | 毛重/kg | |||
A×B×C | D | E | F | G | |||
TC-ZN-H-1 | 800×140×60 | 900 | 45 | 6 | 10 | 38.2 | 40 |
TC-ZN-H-2 | 800×140×50 | 900 | 45 | 6 | 8 | 32.7 | 34.5 |
TC-ZN-H-3 | 800×140×40 | 900 | 45 | 6 | 6 | 26.7 | 28.5 |
TC-ZN-H-4 | 600×120×50 | 700 | 40 | 6 | 8 | 20.4 | 21.6 |
TC-ZN-H-5 | 400×120×50 | 470 | 35 | 5 | 8 | 13.5 | 14.1 |
TC-ZN-H-6 | 500×100×40 | 580 | 40 | 5 | 6 | 11.4 | 12.2 |
TC-ZN-H-7 | 400×100×40 | 460 | 30 | 5 | 6 | 9.1 | 9.6 |
TC-ZN-H-8 | 300×100×40 | 360 | 30 | 4 | 6 | 6.8 | 7.1 |
TC-ZN-H-9 | 250×100×40 | 310 | 30 | 4 | 6 | 5.6 | 5.8 |
TC-ZN-H-10 | 180×70×40 | 230 | 25 | 4 | 6 | 2.5 | 2.7 |
船体用焊接式锌阳极(双铁脚)


型号 | 规格/mm | 铁脚尺寸/mm | 净重/kg | 毛重/kg | |||
A×B×C | D | E | F | G | |||
TC-ZN-H-11 | 300×150×50 | 360 | 30 | 4 | 6 | 14.8 | 15.4 |
TC-ZN-H-12 | 300×150×40 | 360 | 30 | 4 | 6 | 11.8 | 12.4 |
船体用螺栓连接式锌阳极


型号 | 规格/mm | 铁脚尺寸/mm | 净重/kg | 毛重/kg | |||
A×B×C | D | E | F | G | |||
TC-ZN-H-13 | 300×150×50 | 250 | 50 | 3 | 10 | 14.8 | 15 |
TC-ZN-H-14 | 300×150×40 | 250 | 50 | 3 | 10 | 11.8 | 12 |
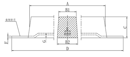
压载水舱常用锌阳极


型号 | 规格/mm | 铁脚尺寸/mm | 净重/kg | 毛重/kg | ||||
A×(B1+B2)×C | D | E | F | G | H | |||
TC-ZN-T-1 | 500×(115+135)×130 | 800 | 50 | 6 | 40 | 60 | 56.9 | 59.3 |
TC-ZN-T-2 | 1500×(65+75)×70 | 1800 | — | ϕ16 | 20 | 40 | 50 | 53.1 |
TC-ZN-T-3 | 500×(110+130)×120 | 800 | 50 | 6 | 40 | 60 | 50 | 52.4 |
TC-ZN-T-4 | 1000×(58.5+78.5)×68 | 1300 | — | ϕ16 | 20 | 40 | 31.6 | 34 |
TC-ZN-T-5 | 800×(56+74)×65 | 1100 | — | ϕ16 | 20 | 40 | 23 | 25 |
TC-ZN-T-6 | 1150×(48+54)×51 | 1450 | — | ϕ12 | 15 | 35 | 20.5 | 21.9 |
TC-ZN-T-7 | 250×(80+100)×85 | 310 | 30 | 4 | 8 | 0 | 13.4 | 13.7 |
TC-ZN-T-8 | 200×(70+90)×70 | 260 | 30 | 3 | 8 | 0 | 7.8 | 8 |
注1:YX-ZN-T-7、YX-ZN-T-8为平贴式阳极。 注1:YX-ZN-T-2、YX-ZN-T-4、YX-ZN-T-5、YX-ZN-T-6型阳极铁脚为圆钢。 | ||||||||
港工和海洋工程设施用锌阳极


型号 | 规格/mm | 螺纹钢铁脚尺寸/mm | 扁钢铁脚尺寸/mm | 净重/kg | 毛重/kg | |||||
A×(B1+B2)×C | D | F | G | D | E | F | G | |||
TC-ZN-I-1 | 1000×(115+135)×130 | 1250 | 18 | 45 | 1250 | 40 | 8 | 45 | 114.1 | 116.5 |
TC-ZN-I-2 | 750×(115+135)×130 | 1000 | 16 | 45 | 1000 | 40 | 6 | 45 | 86 | 87.5 |
TC-ZN-I-3 | 500×(115+135)×130 | 750 | 16 | 45 | 750 | 40 | 8 | 45 | 56.9 | 58 |
TC-ZN-I-4 | 500×(105+135)×100 | 750 | 16 | 35 | 750 | 40 | 6 | 35 | 41.9 | 43 |
海水冷却水系统用长条锌阳极


型号 | 规格/mm | 铁脚尺寸/mm | 净重/kg | 毛重/kg | |||
A×(B1+B2)×C | D | E | F | G | |||
TC-ZN-E-1 | 500×(115+135)×130 | 620 | 50 | 6 | 10 | 56.9 | 58.3 |
TC-ZN-E-2 | 1000×(80+100)×80 | 1200 | 30 | 6 | 8 | 50 | 51.7 |
TC-ZN-E-3 | 500×(105+135)×100 | 620 | 40 | 6 | 10 | 42 | 43.2 |
TC-ZN-E-4 | 500×(80+100)×80 | 620 | 30 | 6 | 8 | 24.8 | 25.6 |
TC-ZN-E-5 | 400×(110+120)×50 | 500 | 35 | 4 | 6 | 15.8 | 16.3 |
TC-ZN-E-6 | 300×(140+160)×40 | 360 | 60 | 4 | 6 | 12.3 | 13 |
TC-ZN-E-7 | 200×(90+110)×40 | 250 | 30 | 3 | 6 | 5.5 | 5.7 |
海水冷却水系统用圆盘状牺牲阳极


型号 | 规格/mm | 铁脚尺寸/mm | 净重/kg | 毛重/kg | |||||
A×B | C | D | E | F | H | G | |||
TC-ZN-E-8 | 300×60 | 40 | 80 | 50 | 12 | 6 | 6 | 28.4 | 28.6 |
TC-ZN-E-9 | 360×40 | 50 | 100 | 70 | 14 | 5 | 6 | 27.3 | 27.6 |
TC-ZN-E-10 | 300×40 | 40 | 80 | 50 | 12 | 5 | 6 | 18.8 | 19 |
TC-ZN-E-11 | 200×50 | 35 | 75 | 45 | 10 | 5 | 4 | 10 | 10.2 |
TC-ZN-E-12 | 180×50 | 35 | 75 | 45 | 10 | 5 | 4 | 8 | 8.1 |
TC-ZN-E-13 | 120×100 | 30 | 75 | 45 | 10 | 8 | 4 | 6.5 | 6.7 |
储罐内壁用锌阳极


型号 | 规格/mm | 铁脚尺寸/mm | 净重/kg | 毛重/kg | ||
A×(B1+B2)×C | D | F | G | |||
TC-ZN-C-1 | 750×(115+135)×130 | 900 | 16 | 10 | 85.6 | 86.9 |
TC-ZN-C-2 | 500×(115+135)×130 | 650 | 16 | 10 | 57 | 58 |
TC-ZN-C-3 | 500×(105+135)×100 | 650 | 16 | 10 | 41.9 | 42.9 |
TC-ZN-C-4 | 300×(105+135)×100 | 400 | 12 | 10 | 25.3 | 25.6 |
埋地管线用锌阳极


型号 | 规格/mm | 铁脚尺寸/mm | 净重/kg | 毛重/kg | |||
A×(B1+B2)×C | D | E | F | G | |||
TC-ZN-P-1 | 1000×(78+88)×85 | 700 | 100 | 16 | 30 | 49.4 | 50.4 |
TC-ZN-P-2 | 1000×(65+75)×65 | 700 | 100 | 16 | 25 | 31.5 | 32.5 |
TC-ZN-P-3 | 800×(60+80)×65 | 600 | 100 | 12 | 25 | 25.5 | 26 |
TC-ZN-P-4 | 800×(55+64)×60 | 500 | 100 | 12 | 20 | 20 | 20.4 |
TC-ZN-P-5 | 650×(58+64)×60 | 400 | 100 | 12 | 20 | 16.6 | 16.9 |
TC-ZN-P-6 | 550×(58+64)×60 | 400 | 100 | 12 | 20 | 14 | 14.3 |
TC-ZN-P-7 | 600×(52+56)×54 | 460 | 100 | 12 | 15 | 12.1 | 12.5 |
TC-ZN-P-8 | 600×(40+48)×45 | 360 | 100 | 12 | 15 | 8.2 | 8.5 |